반응형
code converter는 하나의 2진 코드를 다른 2진 코드로 바꾸어 주는 조합논리회로를 의미한다.
예시로 BCD-3 초과 코드변환기, BCD-9 보수변환기 등이 있다.
BCD- 3 초과 코드변환기
이는 BCD 코드와 3-초과 코드는 4비트를 이용하여 10진수 표현한다.
4 비트면 16개의 2진 조합이지만 나머지 6개는 무관조건으로 처리한다.
따라서 변환회로는 4개의 입력과 4개의 출력이 필요로 하다는 전제로 이해해 보자.
우선 BCD-3 초과 코드변환기를 설계해 보자.
10진수 10~15는 무관조건처리한다.
3 초과라는 뜻은 십진숫자에 3을 더한 결과를 표현한다.
| BCD 코드 | 출력 3-초과 코드 | |||||||
| 10진숫자 | A | B | C | D | W | X | Y | Z |
| 0 | 0 | 0 | 0 | 0 | 0 | 0 | 1 | 1 |
다음 표와 같이 십진수 0에 대해 3을 더한 값을 이진수로 표현한다.
이를 완성하면 다음과 같다.
| BCD 코드 | 출력 3-초과 코드 | |||||||
| 10진숫자 | A | B | C | D | W | X | Y | Z |
| 0 | 0 | 0 | 0 | 0 | 0 | 0 | 1 | 1 |
| 1 | 0 | 0 | 0 | 1 | 0 | 1 | 0 | 0 |
| 2 | 0 | 0 | 1 | 0 | 0 | 1 | 0 | 1 |
| 3 | 0 | 0 | 1 | 1 | 0 | 1 | 1 | 0 |
| 4 | 0 | 1 | 0 | 0 | 0 | 1 | 1 | 1 |
| 5 | 0 | 1 | 0 | 1 | 1 | 0 | 0 | 0 |
| 6 | 0 | 1 | 1 | 0 | 1 | 0 | 0 | 1 |
| 7 | 0 | 1 | 1 | 1 | 1 | 0 | 1 | 0 |
| 8 | 1 | 0 | 0 | 0 | 1 | 0 | 1 | 1 |
| 9 | 1 | 0 | 0 | 1 | 1 | 1 | 0 | 0 |
여기서 카르노 도표를 만들 때 10~15까지의 진리표를 더 완성하면 해당 값은 무관조건으로 사용하면 된다.
유도된 부울 함수는 다음과 같다.
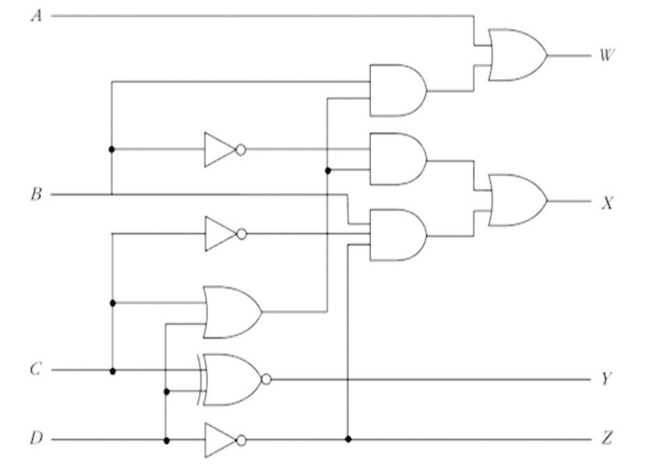
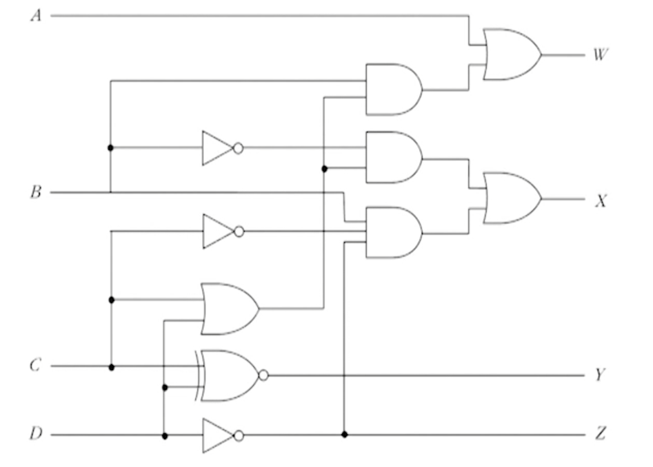
$$W = A + B(C + D) $$
$$ X = \overline {B} (\overline {C} + \overline{D}) + B\overline{C}\overline{D} $$
$$ Y = \overline{C \oplus D} $$
$$ Z = \overline {D}$$
이에 따라 논리회로도를 작성하면 다음과 같다.

반응형
'도전' 카테고리의 다른 글
| 조합논리회로 (2) (0) | 2023.03.06 |
|---|---|
| 패리티 발생기/검사기 논리회로도 (0) | 2023.02.27 |
| 조합논리회로(1) (0) | 2023.02.26 |
| 부울함수의 간소화(2) (0) | 2023.02.23 |
| 부울함수 간소화(1) (0) | 2023.02.22 |
댓글