순서논리회로의 분석
순서논리회로의 동작은 입출력 상태와 플립플롭의 상태에 따라 결정이 된다.
플립플롭의 상태와 입출력 상태의 시간적 변화를 적절히 나타내야 한다.
이를 통해 state table을 완성해야 한다.
조합논리회로를 통해 진리표를 나타낸 것과 비슷하게 순서논리회로는 상태 표로 나타낼 수 있다.
우선 순서논리회로에 있는 플립플롭의 상태변화를 알아야 한다.
플립플롭의 상태변화는 플립플롭의 입력을 알면 구할 수 있다.
이를 입력방정식으로 표현할 수 있다.
플립플롭의 입력으로는 조합논리회로의 출력이 연결된다. 따라서 조합논리회로의 출력함수가 플립플롭의 입력함수가 되고, 이를 플립플롭의 입력방정식이라고 정의한다.
이를 통해 상태표를 한 번 작성해 보자.
| 현재상태 | 입력 | 다음상태 | 출력 | ||
| A | B | X | A | B | Y |
| 0 | 0 | 0 | 0 | 0 | 0 |
| 0 | 0 | 1 | 0 | 1 | 0 |
| 0 | 1 | 0 | 0 | 0 | 1 |
| 0 | 1 | 1 | 1 | 1 | 0 |
| 1 | 0 | 0 | 0 | 0 | 1 |
| 1 | 0 | 1 | 1 | 1 | 0 |
| 1 | 1 | 0 | 0 | 0 | 1 |
| 1 | 1 | 1 | 1 | 0 | 0 |
상태표는 현재상태와 입력, 다음 상태와 출력으로 구성된다.
1. 입력과 현재상태는 해당 변수에 대한 2진 조합을 나열한다.
2. 다음상태 값은 플립플롭의 입력방정식에 의해 결정된다.
3. 출력은 조합논리회로의 부울함수에 의해 결정된다.
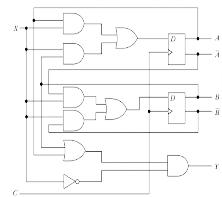
D플립플롭을 가진 순서논리회로를 분석해 보자.
D 플립플롭은 디지털 논리 회로에서 가장 일반적인 플립플롭 중 하나로, 하나의 입력 신호 (D)를 받아들이고 하나의 출력 신호 (Q)를 생성합니다. D 플립플롭의 동작 특성은 다음과 같습니다:
클럭 신호(Clock signal): D 플립플롭은 클럭 신호를 입력으로 받습니다. 클럭 신호는 플립플롭이 입력 신호를 처리하고 출력을 갱신할 수 있도록 하는 시간 신호입니다.
데이터 입력(D input): D 플립플롭은 D 입력 신호를 받아들입니다. D 입력 신호는 플립플롭의 출력값을 결정하는 데 사용됩니다.
출력(Q output): D 플립플롭의 출력은 D 입력값에 대한 현재 상태를 나타내는 Q 출력값입니다. Q는 D 입력 신호가 클럭 신호의 상승 에지에서 D 플립플롭에 입력될 때 변경됩니다.
초기화(Reset): D 플립플롭은 리셋 신호를 입력으로 받을 수 있습니다. 리셋 신호는 플립플롭의 상태를 초기화하는 데 사용됩니다.
논리 연산자: D 플립플롭은 종종 논리 연산자와 함께 사용됩니다. 예를 들어, D 플립플롭을 사용하여 레지스터나 카운터를 구성할 수 있습니다.
동기식(Synchronous) 플립플롭: D 플립플롭은 클럭 신호에 의해 동기식으로 동작합니다. 즉, 출력 신호는 클럭 신호와 함께 변경됩니다.
변환 시간: D 플립플롭의 출력 신호가 변경되는 데 걸리는 시간은 일반적으로 클럭 신호의 상승 에지에서 일정한 시간만큼 소요됩니다.
전환 지연 시간: D 플립플롭의 입력에서 출력으로 신호가 전환되는 데 걸리는 시간은 일반적으로 출력 신호의 변환 시간보다 길 수 있습니다.
안정 상태: D 플립플롭은 안정 상태에 도달하면 출력 신호가 안정적인 값을 유지합니다.

플립플롭의 입력방정식을 찾자.
회로도에서 입력은 X, 출력은 Y.
첫 번째 D 플립플롭의 입력 방정식은 AX + BX이다.
두 번째 D 플립플롭의 입력 방적식은 $ \overline{A}$X + $\overline{B}$X 이다.
Y는 다음과 같다. $(A+B)\overline{X}$
여기서 구해진 입력방정식은 현재 상태값을 나타낸다.
D 플립플롭의 특성은 0이 들어가면 0이나 오고, 1이면 1이나 온다. 전달되는 형태의 동작특성을 가지기에
다음 상태의 출력은 다음과 같다.
첫 번째 D 플립플롭은 AX + BX이다.
두 번째 D 플립플롭은 $ \overline{A}$X + $\overline{B}$X 이다.
이제 현재상태, 입력, 다음상태, 출력도 구했다.
이를 토대로 다음과 같이 상태표를 작성할 수 있다.
| 현재상태 | 입력 | 다음상태 | 출력 | ||
| A | B | X | A | B | Y |
| 0 | 0 | 0 | 0 | 0 | 0 |
| 0 | 0 | 1 | 0 | 1 | 0 |
| 0 | 1 | 0 | 0 | 0 | 1 |
| 0 | 1 | 1 | 1 | 1 | 0 |
| 1 | 0 | 0 | 0 | 0 | 1 |
| 1 | 0 | 1 | 1 | 1 | 0 |
| 1 | 1 | 0 | 0 | 0 | 1 |
| 1 | 1 | 1 | 1 | 0 | 0 |
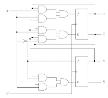
JK 플립플롭은 그렇지 않다.
JK 플립플롭은 디지털 논리 회로에서 가장 일반적인 플립플롭 중 하나로, 입력 신호 J와 K를 각각 받아들여서 출력 신호 Q를 생성합니다. JK 플립플롭의 동작 특성은 다음과 같습니다:
클럭 신호 (Clock signal): JK 플립플롭은 클럭 신호를 입력으로 받습니다. 클럭 신호는 플립플롭이 입력 신호를 처리하고 출력을 갱신할 수 있도록 하는 시간 신호입니다.
J 입력 (Set input): J 입력 신호는 JK 플립플롭의 출력값을 1로 설정합니다. 즉, J=1이면 Q=1이 됩니다.
K 입력 (Reset input): K 입력 신호는 JK 플립플롭의 출력값을 0으로 재설정합니다. 즉, K=1이면 Q=0이 됩니다.
출력(Q output): JK 플립플롭의 출력은 입력 J와 K에 대한 현재 상태를 나타내는 Q 출력값입니다. Q는 클럭 신호의 상승 에지에서 JK 플립플롭에 입력될 때 변경됩니다.
초기화 (Reset): JK 플립플롭은 리셋 신호를 입력으로 받을 수 있습니다. 리셋 신호는 플립플롭의 상태를 초기화하는 데 사용됩니다.
논리 연산자: JK 플립플롭은 종종 논리 연산자와 함께 사용됩니다. 예를 들어, JK 플립플롭을 사용하여 레지스터나 카운터를 구성할 수 있습니다.
동기식 (Synchronous) 플립플롭: JK 플립플롭은 클럭 신호에 의해 동기식으로 동작합니다. 즉, 출력 신호는 클럭 신호와 함께 변경됩니다.
변환 시간: JK 플립플롭의 출력 신호가 변경되는 데 걸리는 시간은 일반적으로 클럭 신호의 상승 에지에서 일정한 시간만큼 소요됩니다.
전환 지연 시간: JK 플립플롭의 입력에서 출력으로 신호가 전환되는 데 걸리는 시간은 일반적으로 출력 신호의 변환 시간보다 길 수 있습니다.
J=1, K=1일 때: JK 플립플롭의 입력으로 J=1, K=1을 동시에 입력하면 Q의 상태가 반전
JK 플립플롭은 다음 상태가 입력방정식으로만 구해지지 않는다. 따라서 플립플롭의 특성표를 이용하여 플립플롭의 응답을 알아야 한다.

입력방정식은 다음과 같다.
J(a) = AX + BX
K(a) = A'BX + ABX'
J(b) = X'
K(b) = AX' + A'X
플립플롭의 다음상태를 구하기 위해서는 플립플롭의 입력을 알아야 하고 입력을 알기 위해선 입력방정식이 있어야 한다.
이를 통해 JK 플립플롭의 입력을 유도한다.
| 현재상태 | 입력 | 플립플롭 입력 | 다음상태 | |||||
| A | B | X | J(a) | K(a) | J(b) | K(b) | A | B |
| 0 | 0 | 0 | 0 | 0 | 1 | 0 | 0 | 0 |
| 0 | 0 | 1 | 0 | 0 | 0 | 1 | 0 | 0 |
| 0 | 1 | 0 | 0 | 0 | 1 | 0 | 0 | 1 |
| 0 | 1 | 1 | 1 | 1 | 0 | 1 | 1 | 0 |
| 1 | 0 | 0 | 0 | 0 | 1 | 1 | 1 | 1 |
| 1 | 0 | 1 | 1 | 0 | 0 | 0 | 1 | 0 |
| 1 | 1 | 0 | 0 | 1 | 1 | 1 | 0 | 1 |
| 1 | 1 | 1 | 1 | 0 | 0 | 0 | 1 | 0 |
상태도는 다음과 같이 생겼다.

1. 상태는 하나의 원으로 표시한다.
2. 상태 간의 변화는 원으로 연결하는 선으로 표시한다.
3. 화살표는 현재상태에서 다음상태로의 변화를 표시한다.
4. 원안의 2진수는 플립플롭의 상태를 말한다.
상태도는 상태표에서 얻어진다.
다음시간은 설계를 어떻게 하는지 알아볼 것이다.
'도전' 카테고리의 다른 글
| 레지스터와 카운터(1) (0) | 2023.03.26 |
|---|---|
| 순서논리회로 (3) (0) | 2023.03.20 |
| CPM 네트워크 (0) | 2023.03.13 |
| DevOps 소프트웨어 개발 (0) | 2023.03.13 |
| 순서논리회로 (1) (0) | 2023.03.07 |
댓글